QL65F5SABC

http://localhost:8069/web/image/product.template/62/image_1920?unique=f6a9bad

产品描述:
QL65F5S-A/B/C is a MOCVD grown 650nm band InGaAlP laser diode with quantum well structure.
It's an attractive light source, with a typical light output power of 10mW for optoelectronic devices such as Laser Pointer & Bar Code Reader.
产品特色:
➢ Optical Leveler
➢ Laser Pointer
➢ Bar Code Reader
应用范围:
➢ Visible Light Output : λp = 650 nm
➢ Optical Power Output : 10mW CW
➢ Package Type : TO-18 (5.6mmφ)
➢ Built-in Photo Diode for Monitoring Laser Diode

¥ 0.00 0.0 CNY ¥ 0.00

¥ 0.00

    此组合不存在。



    电气连接:


    极限工作条件:


    光电特性:


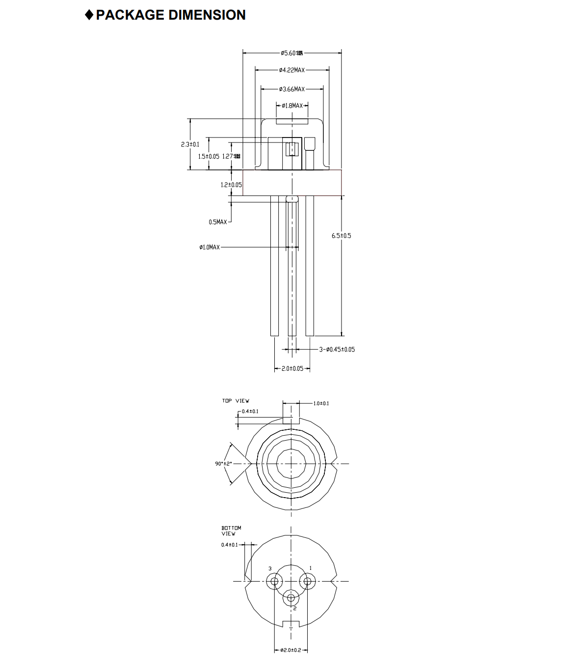
    包装尺寸:


    包装: